1、降低器件损耗
高频UPS用到的半导体主要为IGBT (Insulated Gate Bipolar Transistor),二极管以及MOSFET。由于自身结构和工作特性不同,器件损耗构成各有不同:
(1)IGBT
IGBT的损耗是由导通损耗和开关损耗构成。
导通损耗等于导通电流ICE和正向导通压降VCE的乘积:
Pconduct loss-IGBT =VCE-on* ICE
开关损耗:
PTurn on- loss-IGBT =Eon* Fsw
PTurn off- loss-IGBT =Eoff* Fsw
IGBT的开关损耗分为开通和关断损耗,可以用单次关断的损耗(Eon或Eoff)乘以开关频率Fsw。

图八:IGBT实物图
所以如果要降低IGBT损耗,就需要选择导通压降比较低,开关损耗比较小的型号。由于通常导通压降低和开关损耗小无法同时选择,所以需要判断实际电路中导通损耗比较大还是开关损耗比较大,然后选择收益最大的一个方向挑选IGBT。
随着半导体技术的发展,IGBT也逐渐呈现高效化的趋势,新一代的IGBT通常比上一代损耗更低,所以优先挑选采用最新技术的IGBT也是降低损耗的一个常用手法。
华为UPS U5000在整流和逆变线路上就选择了不同型号的IGBT以配合线路实际工作特性达到损耗最小。
注:部分线路中IGBT的反并联二极管也会产生损耗,选择IGBT时也需要注意二极管特性。
(2)二极管
在UPS中会使用较多的功率二极管,按照电路工作的频率,二极管被区分为高频二极管和整流(工频)二极管,两种二极管的损耗略有差异,本文主要讨论高频二极管的情况。
高频二极管的损耗主要由导通损耗和开关损耗构成;
导通损耗等于正向导通电流IF和正向导通压降VF的乘积:
Pconduct loss-diode-REC =VF* IF
开关损耗主要是由二极管的反向恢复电流引起的:
Pleakage-diode-REC=Ileakage-diode-REC*Vdiode-REC
其中,VR是二极管的反向电压,Qrr是二极管的反向恢复电荷(Reverse recovery charge), Fsw是电路的开关频率。
二极管的总损耗:
Ploss-diode-REC= Pconduct loss-diode-REC+ Pleakage-diode-REC
如上式所示,如果要降低高频二极管的损耗,需要挑选导通压降小和反向恢复快的二极管。如果工作频率很高,可以考虑使用碳化硅二极管(反向恢复损耗极小)以降低器件损耗。
(3)功率电感
功率电感的损耗由磁芯损耗和线圈损耗组成。磁芯损耗分为磁滞损耗,涡流损耗和剩余损耗,UPS一般工作频率不高,大部分在20KHz左右,磁芯损耗主要由磁滞损 耗和涡流损耗构成,通常磁芯供应商的拟合损耗曲线会包含这些损耗。以CSC sendust 26u磁芯为例,上图就是损耗的拟合公式,先计算出B,再代入工作频率即可得到单位体积的损耗。按照下图的公式,降低B能有效降低磁芯损耗,即可以选择增大磁路截面积或提高频率,降低工作电压等措施来降低磁芯损耗。
例如:以CSC铁硅铝 26u的磁芯为例,如果将磁芯的截面积增加25%,其他条件不变,则B会降低25%,磁芯损耗则会降低45%。

图九:磁芯损耗线图
线圈损耗是有电流在导线上流过产生的。通常流过电感的电流包括工频或直流的低频电流和开关频率的高频电流。由于集肤效应的存在,开关频率较高时线圈的交流阻抗会大于直流阻抗,所以设计时如果开关频率较高需要将多股细线并绕来降低集肤效应的影响。
(3)风扇
风扇的损耗主要来自电机,通常电机的损耗和转速的立方成正比,所以在不同负载段适当调整风扇转速,可以适当将各负载段的风扇损耗。
2、降低拓扑损耗
除了以上讨论的降低器件损耗外,通过优化UPS的拓扑结构也可以降低损耗。
在UPS领域,多电平拓扑都大量的应用。相对于以前使用的两电平拓扑,现在常用的二极管箝位型三电平拓扑与传统两电平拓扑逆变器相比,可以减小滤波电感的尺寸和损耗。粗略损耗分析如下:
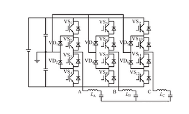
(1)三电平损耗分析
图十示出二极管箝位型三电平逆变器拓扑。电路主要损耗为开关器件的导通损耗、开关损耗以及输出滤波电感损耗。因三相电路3个桥臂的损耗相同,为便于计算,基于A相单相桥臂进行损耗分析。

图十:三电平拓扑图

图十一:驱动信号与输出电压关系
如图十一示出A相桥臂开关 VS1~VS4的驱动信号 ugVS1~ugVS4与输出电压uo、电流io关系示意图。开关动作情况可根据uo,io的方向分为Ⅰ,Ⅱ,Ⅲ,Ⅳ 4 个区域。ugVS1~ugVS4与uo,io的关系由上图可见,在Ⅰ区域中,io方向为负,即流入变换器。当输出高电平时VD1,VD2导通;当输出零电平时VD5,VS3导通。忽略io在一个开关周期中的变化则Ⅰ区域中逆变器单相半导体器件损耗功率为:
PⅠ=f(EswⅠ+EconⅠ++EconⅠ0)
式中:EswⅠ为Ⅰ区域器件消耗的总开关损耗能量;EconⅠ+为Ⅰ区域输出高电平时器件消耗的总导通损耗能量;EconⅠ0为Ⅰ区域输出零电平时器件消耗的总导通损耗能量;f为输出电压频率。在Ⅱ区域中,io方向为正,即流出变换器。当输出高电平时VS1,VS2导通,输出零电平时VD6,VS2导通。Ⅱ区域导通器件示意图忽略io在一个开关周期中的变化,则Ⅱ区域中逆变器单相半导体器件损耗功率为:
PⅡ=f(EswⅡ+EconⅡ++EconⅡ0)
式中:EswⅡ为Ⅱ区域器件消耗的总开关损耗能量;EconⅡ+为II区域输出高电平时器件消耗的总导通损耗能量;EconⅡ0为Ⅱ区域输出零电平时器件消耗的总导通损耗能量。
分析可知,Ⅲ区域与Ⅰ区域,Ⅳ区域与Ⅱ区域分别为对偶关系,所以Ⅲ区域的器件损耗与Ⅰ区域相同,Ⅳ区域的器件损耗与Ⅱ区域相同,故三电平逆变器三相半导体器件总损耗功率为:
① Ptotal=3(PⅠ+PⅡ+PⅢ+PⅣ)=6(PⅠ+PⅡ)
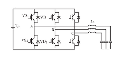
(2)两电平损耗分析
同样根据uo和io的方向,将开关动作情况分为Ⅰ,Ⅱ,Ⅲ,Ⅳ 4 个区域,则两点平逆变器三相半导体总器件损耗功率可表示为:
② Ptotal*=3(PⅠ*+PⅡ*+PⅢ*+PⅣ*)=6(PⅠ*+PⅡ*)
各分量计算与三电平对应,但修改相应的损耗参数。

图十二:两电平逆变器
对比上述① ② 公式,用Mathcad软件可算出三电平和两电平逆变器在相同给定应用条件下的损耗和效率。
按照以下给定值计算:三电平逆变器以IGBT为开关器件,型号为2MBI300U2B-060(600 V/300 A),二极管VD5和VD6型号为1FI150B-060(600V/200 A);两电平逆变器所用IGBT型号为:
2MBI300UC-120(1 200 V/300 A);两种拓扑逆变器驱动电阻Rg=5 Ω,工作温度Tj=125 ℃。
理论计算当fs=10 kHz时,三电平逆变器效率可提高1.7%;当fs=20 kHz,三电平逆变器效率可提高2.79%。
可以看出,选择更优的拓扑可以显著提高效率。
3、降低系统损耗
降低系统损耗,从根本上来说,就是保证UPS始终工作在效率最高区间。考虑到UPS的初期投资,可以选用模块化UPS达成这一目的。选用模块化的优点如下。
(1)、按需扩容
模块化一大优势在于可在线扩容,这种设计使得客户不必过于超前规划UPS系统的容量,而是可以在适合的范围内接近负载容量,从而达到最好的效率点。

图十三:华为模块化UPS
(2)、模块冗余
UPS系统的可靠性是客户非常看重的指标。一般来说,N+1冗余系统可以满足大部分应用场景的可靠性需求,也是性价比最高的配置方式。一般塔式系统采用N+1只保证了可靠性,但是会导致初期投资较高,并且也会让负载率低于50%,采用模块化机器则不会有这个问题。
(3)、智能休眠功能

图十四:智能休眠
模块化UPS一般具有智能休眠功能,采用这个功能可有效改善因低载带来的低效现象。UPS将根据目前所处负载情况,在留有冗余的前提下,休眠1-2个模块,从而提升其他工作中机器的负载率,使得系统效率得以提升。且原有系统负载率越低,节能效果越显著。以负载率为20%的3+1模块冗余系统为例,通过智能休眠功能,系统将休眠2个模块,使得剩余2台机器负载率达到40%,且这种情况下UPS系统仍保留冗余,即保障1台机器故障时,剩余1台机器仍可正常带载运行。仍以500kW负载为例,空调EER=3:1,休眠前后的节能对比见下:

表2:休眠前后节能对比表
从上表的对比可见,休眠后的总损耗降低了三分之一以上,10年下来可节约204万度电,带来约100万元人民币的收益。
除此以外,华为UPS5000-E还具备轮换休眠功能,系统会对工作的模块进行定期轮换,以保证工作时间平均,延长模块寿命。

图十五:UPS5000-E智能轮换休眠
如今业界UPS最高效率普遍可以达到96%甚至更高,但是提升UPS效率仍然是整个业界一直持续追求的,选用优质器件,更优的拓扑是提升UPS效率的可靠途径,同时模块化UPS智能休眠等特性可以让UPS工作在最佳效率区间。
本文来源:UPS电源 成都UPS电源 山特ups电源 www.hftups.com