设计高效可靠的数据中心电气系统需要从数据中心业主和电气工程师们的视觉角度出发。
数据中心是当今世界最热门的技术发展领域之一。随着物联网需求的不断增长,迫使计算领域的最大的市场竞争者们都已经在新的多兆瓦数据中心方面花费数十亿美元的投资了。业界掀起的蓬勃发展兴建数据中心的热潮主要是由于云服务的不断增长,这可以说对服务器的容量带来了不小的压力(见下图1)。此外,当其运营对企业组织的经济效益或功能需求非常重要时,数据中心被认为是企业的关键任务。在某些类型的关键任务数据中心的操作运营中,哪怕即使仅仅几秒钟的停机中断,也可能造成数百万美元的损失。
本文中,我们试图通过从数据中心业主和电气工程师们的视觉角度出发,来探索关于数据中心的设计。文章中还讨论了数据中心的关键组件,并涉及了适用于数据中心及其组件的相关规范和标准。

初步考虑
对于许多数据中心而言,其服务器都是作为其主要组件的,而这些服务器的运营显然需要消耗电力资源。因此,任何关于建立数据中心的话题都应该从确定该数据中心的电气需求和如何满足这些需求开始。
容量:在决定任何其他项目之前,数据中心的所有者必须首先确定数据中心的容量(以兆瓦为单位)。在以前的规划中,通常使用瓦/平方英尺。然而,今天更常见的则是讨论每台机架的kW,其范围可能会从5到60kW不等。每个机架的功率集中也可以推动冷却系统的类型和容量,而这必须在容量中进行规划。数据中心业主还需要考虑未来的容量。
另一项重要决定是确定冗余级别。可靠性对于数据中心而言是非常重要的,而停机中断的成本也是相当昂贵的。但是,构建更高可靠性的数据中心的成本会显著增加。因此,数据中心所有者应确定可接受的风险程度。
辅助电源:在确定了数据中心的容量后,必须计算设施功率。设施功率包括数据中心的加热和冷却。近年来的焦点是使设施(非数据)功率尽可能低,以提高效率,并降低运营成本。为了解决数据中心内设施的电源效率,业界创造了“电源使用效率(PUE)”这一术语。 PUE越接近统一,非生产设施的功率就越小。
多年前,将设施和制冷负载考虑为传送到数据中心的总功率的一半是正常的。这意味着如果一处数据中心的容量为10兆瓦,设施和冷却负载也将为10兆瓦,导致PUE值为2.PUE等于2被认为是平均效率,但这不能令许多数据中心拥有者感到满意。新技术的发展推动着PUE值接近统一。

可靠性和层级:为了在可靠性方面对数据中心进行分类,Uptime Institute创建了被称为层级的标准(见上表1)。数据中心分为四个层层级。 Tier I数据中心没有冗余配电系统,其组件没有冗余容量。Tier II数据中心与Tier I数据中心的不同之处在于其具有冗余容量的组件。Tier III数据中心具有双电源IT设备和多个分配路径连接到服务器。Tier IV数据中心具有Tier III数据中心所具备的所有功能特征。此外,Tier IV数据中心是容错的,因为它们具有多个电力分配路径。Tier IV数据中心具有HVAC设备,该设备也是双重供电的,并具有存储容量。
确定选择哪个层级取决于许多方面的因素。许多企业组织以前都有大型整合的数据中心,导致他们倾向于选择一款Tier III或Tier IV系统。此外,许多金融业界的企业组织则选择Tier III和Tier IV系统。其他企业组织选择拥有多处数据中心,以便当某处数据中心出现故障时,可以在另一处处理数据需求,从而导致这类企业使用较低层级的系统。
用途:数据中心也根据其用途进行分类。这些分类包括为私有领域(例如公司或政府实体)服务的数据中心;服务于公共领域的数据中心,例如互联网提供商;和多用户数据中心。
功率分配:目前,关于使用什么样的电力来为数据中心的运营供电存在着争论。到底应该是交流还是直流?都有其各自的优点。最近,由于数据中心计算设备开始使用直流电源,直流电源已经受到越来越多的关注。具有直流配电功能消除了对服务器底板上对于变压器和交流到直流转换器的需求。使用直流还消除了谐波,因为没有电源切换。此外,使用直流消除了转换步骤,这带来了更高的效率(每个转换步骤都会产生一定的损耗),从而降低了成本。

然而,多年来,交流电一直是数据中心配电的主要形式(见上图2)。交流的好处包括易于获得的设备,更低的成本和更容易的维护(因为维护人员已经知道设备和备件容易获得)。历史上,大多数交流配电系统设计为208/120 V.不断发展的技术已经帮助数据中心管理人员们能够使用更高的交流电压了,达到400/415 V,甚至有达到480 V的情况,因为更新的电气设备带来了更高的功率需求和效率。
PUE:数据中心设计和构建的另一个重要因素是PUE.PUE越接近统一越好。一处PUE值为1.5的数据中心被认为是达到了效率的中间线。高于该数字的PUE代表了低效的数据中心;而PUE值低于1.5的数据中心被认为是高效的。PUE值为1.2的数据中心被认为是非常有效的。数据中心最重要的部分是IT设备。如果无需支持(辅助)负载,则PUE将为1.但由于辅助负载是必需的,因此PUE总是大于1.辅助负载包括HVAC负载和小的电力负载,例如照明和插座。
电气设计
在数据中心的所有者决定了上述考虑因素之后,设计专业人员的工作开始了,特别是对于电气工程师们而言。电气工程师必须提出一套高效的设计,具有足够的容量以应对未来的增长,并避免不必要的虚架子。
配电元件:配电元件有很多部分。其从公用变压器开始,在大型数据中心由数据中心的所有者拥有。在电力从市电传输电压下降到配电水平之后,其通过分配开关装置,其将电力重定向到需要的地方。通常,功率必须再次,通常经由变电站变压器并且通过多于一个路径被降低。通常在当今的数据中心中存在的备用电源通常在该级别上引入,带有自动转换开关设备。从ATS、电源到服务器(通常通过UPS系统),在那里其从交流切换到直流电源,以便供给服务器使用。下一层的分配包括用于为辅助负载、HVAC负载和常规房屋负载供电的配电板和配电盘。在这一点上也可以使用电力监测系统,其可以提供关于不同设备如何工作,以及如何使用电力的非常重要的信息。
在经历了这么多的设备所需要的细致的工作之后。设计专业人员必须注意设备和电缆的成本,以及每一款设备的采用所造成的损失。数据中心有这么多的电气和机械设备,意味着工程师也必须考虑与这些设计相关的许多规范和规定。
相关规范:数据中心设计专业人员所需遵循的相关规范包括:《ANSI / TIA -942-2005:数据中心电信基础设施标准》;《NFPA 70:美国国家电气规范》;和《ASHRAE标准90.1:除低层住宅建筑之外的建筑能源标准》。其他非常重要的规则包括《国际建筑规范》、《国际机械规范》、《国际管道规范》、《国际火灾规则》、《国际燃料气体规范》、《国际节能规范》、《NFPA 72:国家火灾报警和信号规范》以及《NFPA 90A:空调和通风系统安装标准》。
根据数据中心的规模大小和托管的数据中心的类型的不同,其他方面的规范包括《NFPA 13:自动喷水灭火系统的安装标准》、《NFPA 30:易燃和可燃液体规范》、《NFPA 10:便携式灭火器标准》、《NFPA 101 :生命安全规范》、《NFPA 110:紧急和备用系统标准》、《NFPA 780:闪电防雷系统系统安装标准》、以及《NFPA 20:消防固定泵的安装标准》。
公共供电服务:与任何其他项目一样,设计师们需要从对于数据中心所在当地的公共供电服务开始考虑。由于可靠性的重要性,数据中心业主必须尽早与公用供电服务公司讨论相关的供电服务事项。根据数据中心的规模大小,服务选项包括采用单独的专用供电线路或现有的非常可靠的线路。
电气设计师与数据中心业主密切合作,必须决定在数据中心有多少层设备。引入的设备越多,潜在出现的故障点越多。在关键任务设施中,重要的是避免单点故障。
公用供电服务很可能是中压。根据数据中心的规模大小和地理位置,服务可以在13.8和345 kV之间。下一步是将电压降低到可用于服务器的级别。大多数数据中心IT设备使用双电压,100到120 V交流和200到240 V交流。较高的电压208或240V能够提高效率,从而降低损耗。使服务器在415 V交流电源供电进一步提高了数据中心效率,从而获得更好的PUE值。如果设计者决定使用更高的电压,如415V,则辅助机械负载将为480V.这意味着必须使用自动变压器来将415V转换到480V的功率。
在什么时候决定将中压转换为低电压(低于600 V)?此问题的答案取决于数据中心的规模大小和与服务中断的距离。如果数据中心是园区的一部分,那么数据中心可能距离服务中断很远。如果是这种情况,则优选地将电功率分布在尽可能高的电压水平,通常为13.8kV.如果服务电压高于13.8 kV,第一次转换将在服务入口处,将电压从任何公共供电电压降至13.8 kV.该功率被传送到发生第二转换的数据中心,将电压降低到480V或415V。
冗余:将数据中心之间区别开来的是冗余级别。 但一切都有其代价。 添加的冗余层越多,数据中心的构造成本就越昂贵。 当然,发生数据中心中断(或掉电)也是成本非常昂贵的。

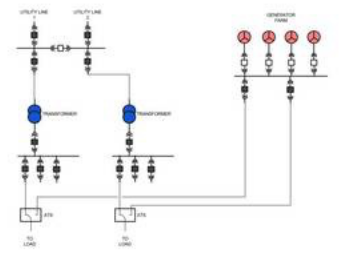
根据设计,服务器配有两个电源选项。此外,其还有电池备份。因此,每台服务器都有两个不同的正常电源。这意味着服务器将由两个不同的变电站服务。为了完全冗余,变电站需要从两处不同的公用供电线路供电。在最佳情况下,公用线路在配电系统中的某点处具有连接,并且每条公用线路具有足够的容量来承载数据中心的整个负载。此场景描述了完全冗余的正常配电数据中心(参见上图3)。
正常的电源冗余是非常重要,但仅有其本身是不够的。正常功率通常由备用系统备份。备用系统通常由发电机组成,发电机可以是柴油、天然气或混合动力。柴油发电机是优选类型的发电机,因为它们是可靠的机器,并且可以很容易地维护。取决于数据中心所在的建筑物的类型,发电机可以是也可以不是生命安全系统的一部分。然而,发电机通常被设置为非常快速地备份电力系统作好了准备,通常在10至30秒内。这一时间取决于服务器备份电池可以持续的时间。

最后的想法
虽然设计数据中心的配电系统看起来很简单,但这其中存在着固有的挑战。电气工程师们必须:
与数据中心所有者密切合作,确定当前和未来的数据中心容量。
与数据中心所有者合作,决定哪个数据中心层适合客户的需求。
与数据中心所有者密切合作,以确定冗余级别。
设计一款足够简单,易于操作的系统,但也是具备可靠性的系统。
消除单点故障。
设计一个非常有效的系统,目标是实现1.5以下的PUE.
遵循相关行业的法规和规章。
数据中心的设计很复杂(参见上图4)。而数据中心的建筑成本,以及它们的操作和维护成本是非常昂贵的。与数据中心所有者持续协作是非常重要的 ——比任何其他类型的项目更为重要。设计的成功完成和实施取决于这种合作。
本文来源:UPS电源 成都ups电源 山特ups电源 www.hftups.com